
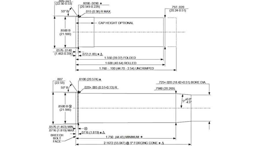
The Sporting Arms and Ammunition Manufacturers’ Institute, or SAAMI, just gave the mini shell its official blessing, in part due to Federal Ammunition. The mini shell is a popular, but until now, non-standard, 12 gauge offering made by a small number of ammo companies.
With the SAAMI specification now every ammo maker can put together loads in the compact 1.75-inch package. Standard 12 gauge shells run in the 2.75- to 3.5-inch range, give or take, depending on the manufacturer or even specific batch of ammo.
“This is big news for our new Shorty Shotshell ammunition,” said Federal’s director Rick Stoeckel. “The 12-gauge 1.75-inch cartridge has been around for more than a decade, but it was never brought to SAAMI to be considered by its technical committee. Once we decided to start manufacturing this load, we immediately submitted it to SAAMI for industry standardization. We’re excited about this approval and we deeply appreciate SAAMI’s support.”
Because shotshell length can vary so much, shotguns have a reputation for running reliably with all kinds of ammo even if the length of the shells isn’t exact. But at the extremes, with very long shells and very short shells, shotguns just can’t be expected to run flawlessly.
“SAAMI’s approval of the cartridge was a crucial step in legitimizing it within the industry,” said Stoeckel. “Their work creates industry standards for the cartridge, and will hopefully inspire shotgun manufacturers to purposely build pump-action and semi-auto shotguns to specifically run 1.75-inch loads.”
The SAAMI specification will help with mini shell use in three ways. First, it will ensure that ammunition manufacturers are at the very least putting mini shells together using the same basic overall dimensions. This will lead to good consistency between different ammunition manufacturers’ mini shells.
The second, and possibly more interesting thing about the SAAMI mini shell spec, is that it means firearm manufacturers can make 1.75-inch-specific 12-gauge shotguns.

Technically any 12-gauge shotgun can load and fire mini shells, but in the real world, not every shotgun runs these short loads well. Break-action shotguns handle them just fine, but magazine-fed shotguns typically don’t like them without modification.
And even with modification, not all pump-action or self-loading shotguns run mini shells consistently, simply because they aren’t designed to use them in the first place.
It’s been clear that without a SAAMI specification, shotgun makers haven’t bothered with mini-shell-specific shotgun designs. Hopefully this will change that and at least some manufacturers will put out dedicated, or even just optimized, mini shell-compatible shotguns that run reliably across the board.
Finally, this will be good news for reloaders and others in the ammo-making hobby. With SAAMI involved, there is now an “official” pattern to work from, even though shotshells are inherently on the make-shift side of ammunition types. This will mean factory-made components and better support down the line.
See Also: Federal’s New 224 Valkyrie Loads Stretch Long-Range Horizons
Mini shells are excellent on-paper alternatives to many reduced recoil buckshot and slug loads. These loads are very popular for law enforcement and self-defense when shooting lots of shells quickly and staying on target is more important than getting the most out of every shot.
Because they aren’t meant for hunting, which often requires higher pellet and slug velocities and tighter patterns, reduced recoil shells dominate the defensive shotgun market.
The downside to reduced recoil shells is that they have a lot of empty space taking up room in the magazine. Some companies use the space for special wadding and pellet packaging that helps promote accuracy while keeping patterns tight, but for the most part, it’s just empty shell filler.
By starting out an inch shorter than most defensive buckshot or slugs, mini shells take up a lot less room in a tubular magazine than standard shells. The only downside is that they just aren’t as reliable in all cases.
This standard means improved reliability and consistency in ammo and potentially firearms going forward.
Our overlords don\’t even have a good reason for the nanny police state anymore. Toothpicks must be outlawed to protect the environment. Rope must be banned for safety. Baseball hats must be outlawed because they are ugly. Insurance must be mandatory to protect the insurance industry. Flagpoles must be banned to protect property values.Why not just put Americans in prison when they\’re born?
fed introed a no4 buck round and for now sgammo has em for .75 a round.the birdshot is cheaper and good for practice/pest control
While this is great news, and kudos to Federal, they are not the reason for the popularity. The long and short of why minishell demand is up is as follows:
Aguila has been producing mini shot shells for a number of years…..
In May, 2015, Opsol introduced their miniclip on Amazon, which provided a way for Mossberg 500s/Mav88s to feed the minis without flipping.
At the January 2016 SHOT show, Opsol owner personally handed miniclips to Mossberg sales executives.
Throughout 2016, Opsol continued to sell the miniclip online and on Amazon.
At the January 2017 Shot Show, Mossberg introduces Shockwave, in conjunction with Aguila minis and the Opsol miniclip
Aguila, dues to popularity of the above combination, greatly expands production of minis
Opsol sales increase dramatically
Exotic Products introduces minishells during this time
Ventura introduces minishells during this time
Near the end of 2017, Amazon and copycats try to take over the Opsol site, and introduce cheap knockoffs.
With the great help of the NRA, Opsol gets a response from Amazon, who stops selling ALL miniclips
In July, 2018, Opsol introduces the FLEX, to accommodate the various lengths of minis being offered.
Near end of 2018, Challenger out of Canada introduces mass produced minis in Buck and birdshot. Mini prices immediately start to drop.
At Shot show 2019, Federal introduces their Shorty Shells.
Finally, the potential of the minishell is just now truly being explored by the creative talent of the ammunition industry.
Perhaps, as one of the Opsol owners predicted, the “minishell revolution” is upon us with this SAAMI designation.
I’m sure Aguila is happy they FINALLY have SAAMI’s blessing.